K3-CoM260参考方案框图【开发中】
3.1. 参考方案框图
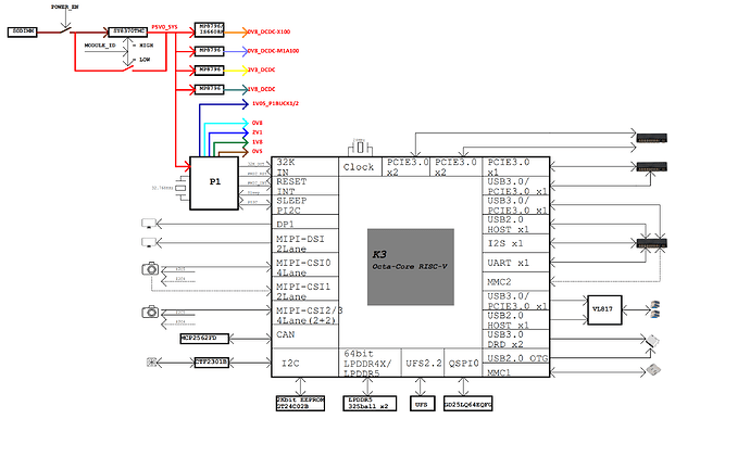
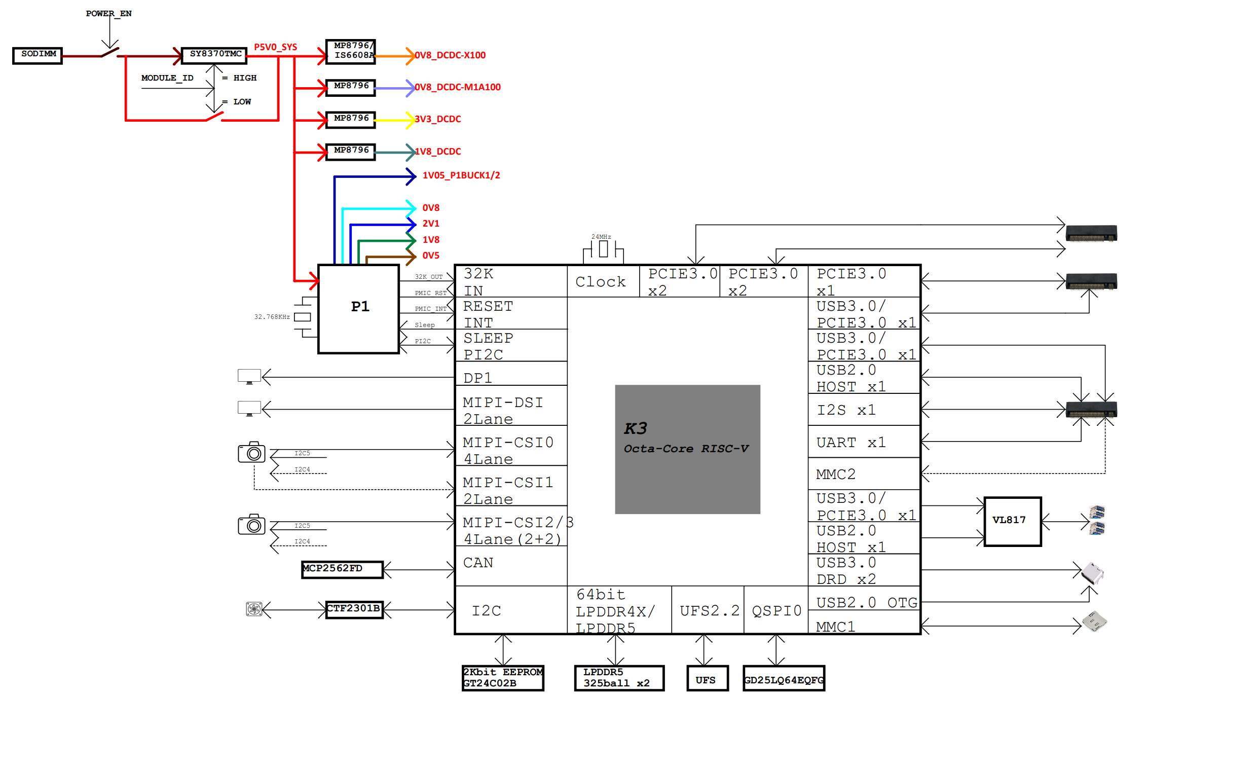
K3-CoM260系统采用K3芯片,P1 PMIC+外挂DCDC的供电方案;DRAM采用2x LPDDR5、UFS2.2;外设接口包括7 lanes PCIe3.0 、 3 套 USB3.0、1 套 GMAC、TF Card等外设接口,集成了一个稳定的可量产化的方案。参考方案框图如下:
3.2. 功能概述
K3-CoM260_KIT包含的功能如下:
- Type-C:1路USB3.0 Type-C UFP接口,系统固件升级通道
- DP:1路DP1.2 Type-A 接口,最大可支持3840x2160 @60fps输出
- MIPI DSI:1个30Pin FPC 连接器,1路2 Lane MIPI DSI信号支持LCD屏,一路I2C信号支持CTP屏
- MIPI CSI:2个22Pin FPC 连接器,2路4 Lane MIPI CSI信号可同时支持2个摄像头
- 40Pin 双排插针:兼容树莓派标准40Pin 双排插针,支持I2C、UART、SPI、I2S和GPIO调试
- SD-Crad:支持高速TF卡
- PCIe Wi-Fi:1个M.2 E-KEY连接器,模组型号为RTL8852BE,外置SMA天线,支持无线上网功能
- Ethernet:1路RJ45连接器,自适应10/100/1000M以太网
- PCIe 3.0:2个M.2 M-KEY连接器,可接入2280、2230 SSD
- USB3.0 Type-A:2个USB3.0 Type-A Dual连接器,用于扩展USB设备
- 12 Pin 按钮排针:用于连接 LED、UART Debug、ACOK、开机关机、复位按钮
- FAN:1个4Pin 风扇连接器,连接4线可调速风扇
- CAN:1个4Pin 排针,集成CAN 收发器,连接CAN设备
- RTC:1个2Pin 线对板连接器,支持1.85V~5V电压输入
3.3. 功能接口
| 功能 | 是否可用 |
|---|---|
| 2x LPDDR5(4GB/16GB/32GB) | 是 |
| UFS(128GB) | 是 |
| SPI FLASH | 是 |
| DC Jack | 是 |
| DP 1.2 OUT | 是 |
| MIPI DSI | 是 |
| MIPI CSI | 是 |
| SD-Crad | 是 |
| Wi-Fi&BT | 是 |
| Gbe | 是 |
| 2x M.2 M-KEY | 是 |
| 2x USB 3.0 Type-A Dual | 是 |
| 40 Pin | 是 |
| 12 Pin | 是 |
| FAN | 是 |
| CAN | Default NC |
| RTC | Default NC |
硬件介绍
2. ## 电源框图
K3-CoM260预留丰富的外围接口,用户调试I2C外设会涉及到I2C通道复用情况,下图为K3-CoM260_KIT开发套件对应的I2C地址和上拉电源,避免地址冲突和电平不匹配。
模块简述
K3-CoM260_KIT开发套件仅提供一种电源输入方式:DCIN输入,需使用支持12V-6A的电源适配器。
K3-CoM260模组上集成了4种存储器。
-
UFS2.2:模组上存储类型为UFS,默认使用的容量为128GB
-
SPI Flash:板载SPI Flash
-
DDR:模组DDR使用2pcs 4GB/8GB/16GB LPDDR5
-
EEPROM:模组支持EEPROM存储板卡信息
-
按键输入
K3-CoM260_KIT开发套件提供多功能按键输入,包括:电源按键,复位按键,下载按键。
| Pin | 信号名称 | Function |
|---|---|---|
| 1 | PC_LED- | LED负极 |
| 2 | PC_LED+ | LED正极 |
| 3 | UART0_RXD | DEBUG UART RX |
| 4 | UART0_TXD | DEBUG UART TX |
| 5 | BMCU_ACOK | 设置为按键开机 |
| 6 | AUTO_ON_DIS | 与BMCU_ACOK短接设置为按键开机 |
| 7 | GND | 电源地 |
| 8 | PMIC_RST_OUTn | 复位 |
| 9 | GND | 电源地 |
| 10 | FORCE_RECOVERY | Download |
| 11 | GND | 电源地 |
| 12 | SLEEP/WAKE | 开机/关机 |
K3-CoM260不固定支持某一摄像头模组,高速连接器包含两组4lane信号,可根据模组上电阻搭配选择不同的链路组合,“4+4”或“2+2+4”。
22pin高速连接器接口线序如下:
| Pin | 信号名称 |
|---|---|
| 1 | VDD_3V3_SYS |
| 2 | I2C_SDA |
| 3 | I2C_SCL |
| 4 | GND |
| 5 | CLK_CAMCK |
| 6 | CAM_PWDN |
| 7 | GND |
| 8 | MIPI_CSI0_DP3 |
| 9 | MIPI_CSI0_DN3 |
| 10 | GND |
| 11 | MIPI_CSI0_DP2 |
| 12 | MIPI_CSI0_DN2 |
| 13 | GND |
| 14 | MIPI_CSI0_CLKP |
| 15 | MIPI_CSI0_CLKN |
| 16 | GND |
| 17 | MIPI_CSI0_DP1 |
| 18 | MIPI_CSI0_DN1 |
| 19 | GND |
| 20 | MIPI_CSI0_DP0 |
| 21 | MIPI_CSI0_DN0 |
| 22 | GND |
K3-CoM260支持树莓派4.3寸电容触摸显示屏
屏接口线序如下:
| Pin | 信号名称 | 信号名称 | Pin |
|---|---|---|---|
| 1 | GND | GND | 2 |
| 3 | MIPI_DSI1_LANE1_DN | MIPI_DSI1_LANE1_DN | 4 |
| 5 | MIPI_DSI1_LANE1_DP | MIPI_DSI1_LANE1_DP | 6 |
| 7 | GND | GND | 8 |
| 9 | MIPI_DSI1_CLK_N | MIPI_DSI1_CLK_N | 10 |
| 11 | MIPI_DSI1_CLK_P | MIPI_DSI1_CLK_P | 12 |
| 13 | GND | GND | 14 |
| 15 | MIPI_DSI1_LANE0_DN | MIPI_DSI1_LANE0_DN | 16 |
| 17 | MIPI_DSI1_LANE0_DP | MIPI_DSI1_LANE0_DP | 18 |
| 19 | GND | GND | 20 |
| 21 | I2C3_SCL | I2C3_SCL | 22 |
| 23 | I2C3_SDA | I2C3_SDA | 24 |
| 25 | GND | GND | 26 |
| 27 | LCD_VCC33 | LCD_VCC33 | 28 |
| 29 | LCD_VCC33 | LCD_VCC33 | 30 |
K3-CoM260_KIT Type-C连接器,支持OTG模式,不支持供电
K3-CoM260_KIT 支持1路DP Type-A输出接口,支持DP1.2,最大可支持3840*2160p@60fps视频输出
K3-CoM260_KIT 支持4路USB3.0 Type-A接口,方便开发者接入USB设备
K3-CoM260_KIT支持1个RJ45千兆网接口
K3-CoM260_KIT支持接入 M.2 2230 E-Key模组,支持无线上网和蓝牙功能
K3-CoM260_KIT支持40pin双排插针,线序如下:
注:可自行配置IO Function
| Pin | 信号名称 | 信号名称 | Pin |
|---|---|---|---|
| 1 | VDD_3V3_SYS | VDD_5V_GPIO | 2 |
| 3 | I2C3_SDA | VDD_5V_GPIO | 4 |
| 5 | I2C3_SCL | GND | 6 |
| 7 | GPIO09 | UART1_TXD_LS | 8 |
| 9 | GND | UART1_RXD_LS | 10 |
| 11 | UART1_RTS_LS | I2S0_SCLK_LS | 12 |
| 13 | R-SPI0_SCK_LS | GND | 14 |
| 15 | GPIO12_LS | R-SPI0_CS1_LS | 16 |
| 17 | VDD_3V3_SYS | R-SPI0_CS_LS | 18 |
| 19 | SPI0_MOSI_LS | GND | 20 |
| 21 | SPI0_MISO_LS | R-SPI0_MISO_LS | 22 |
| 23 | SPI0_SCK_LS | SPI0_CS0_LS | 24 |
| 25 | GND | SPI0_CS1_LS | 26 |
| 27 | I2C0_SDA | I2C0_SCL | 28 |
| 29 | GPIO01_LS | GND | 30 |
| 31 | GPIO11_LS | GPIO07_LS | 32 |
| 33 | GPIO13_LS | GND | 34 |
| 35 | I2S0_LRCK_LS | UART1_CTS_LS | 36 |
| 37 | R-SPI0_MOSI_LS | I2S0_SDIN_LS | 38 |
| 39 | GND | I2S0_SDOUT_LS | 40 |
K3-CoM260支持TF卡,方便开发者接入TF卡设备。同时支持debug扩展卡,用于JTAG调试
K3-CoM260_KIT支持2x M.2 M-Key接口,分别支持2280(图中较长SSD)与2230(图中较短SSD)规格的NVME SSD,方便开发者接入SSD以及其他M.2 M-Key设备。
K3-CoM260_KIT板上集成了CAN 收发器,可以直连CAN设备。
初次设置
使用前准备
电源适配器:
K3-CoM260采用DCIN供电,您可以使用任何提供正确电源模式的通过相关质量认证的
DC JACK电源适配器,建议电源适配器最大功率不低35W
鼠标&键盘:
您可以使用K3-CoM260_KIT上的任一USB-A端口连接有线键盘/鼠标或JSB接收器,以及通过蓝牙的方式连接键鼠。
显示器:
K3-CoM260需要通过外置显示器将画面显示出来。K3-CoM260支持DP和MIPI DSI视频接口,因此您可以连接或同时连接带有DP或者MIPI DSI视频接口的显示器。
请注意,若要通过MIPI DSI视频接口输出画面,请在开机前就将MIPI DSI视频线连接好显示器和K3-CoM260,K3-CoM260的MIPI DSI视频接口不支持热插拔。
图片
网络连接:
K3-CoM260支持有线RJ45网口,您可以通过RJ45网口直接与网线连接。
K3-CoM260支持无线WiFi和蓝牙的连接,如需增强信号,可以安装天线。
开始启动
提前连接您所需要的外设,并接上电源:
将设备通过视频连接线连接到显示器,同时连接上键盘和鼠标。
最后连接上电源线,并通电即可开机。(首次通电即开机,若软件关机后,需短按电源按钮即可开机)。
K3-CoM260_KIT运行后,红色的电源指示灯会亮起;K3-CoM260运行后,散热器风扇会转动。
串口调试
接口连接:
上位机经USB转TTL设备与K3-CoM260载板12Pin接口的TX、RX、GND正常连接。接口信号如图:
















